XSON-ILTC0 Датчик уровня ротационный
|
Удлинение, мм
|
125 |
|
Род тока
|
AC |
|
Напряжение питания, В
|
115…230 |
|
Присоединение
|
Резьба G 1 1/2“ и G 2 1/2“ |
|
Степень защиты оболочки
|
IP65 |
|
Рабочая температура, °C
|
-20…+80 |
Подберем и поможем внедрить оборудование и программное обеспечение для систем автоматизации в любой отрасли промышленности.
Отправьте письмо на нашу электронную почту со своей задачей, чертежами и техническим заданием, а наши квалифицированные специалисты помогут подобрать все необходимое оборудование под ваш проект.
Доставка:
-
Самовывоз
-
Транспортная компания
-
Курьерская служба
-
Срок отгрузки: 1 рабочий день
Оплата:
-
Банковской картой на сайте
-
Безналичный расчет
Подберем и поможем внедрить оборудование и программное обеспечение для систем автоматизации в любой отрасли промышленности.
Отправьте письмо на нашу электронную почту со своей задачей, чертежами и техническим заданием, а наши квалифицированные специалисты помогут подобрать все необходимое оборудование под ваш проект.
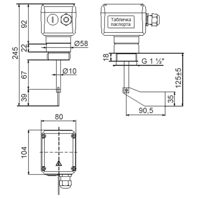
Ротационный датчик предельного уровня сыпучих материалов в алюм. корпусе, G1½“ и G 2½“, L=125мм, лопасть 35*90,5 мм, 1 об/мин, 115...230V AC, -20...+80°C, IP65
Ротационный датчик уровня XSON-ILTC0 для контроля и сигнализации предельного уровня сыпучих материалов. Благодаря простой установке и эксплуатации датчики подходят для работы с веществами различной плотности и размера гранул.
Взаимозаменяем с сигнализаторами уровня ITALTECH, TOREX, WAMGROUP, TTS.
Технические характеристики XSON-ILTC0 Датчик уровня ротационный
|
Тип оборудования
|
Сигнализатор уровня |
|
Контролируемая среда
|
Сыпучие материалы |
|
Принцип действия
|
Ротационный |
|
Метод взаимодействия со средой
|
Контактный |
|
Удлинение, мм
|
125 |
|
Минимальная насыпная плотность материала, г/л
|
300 |
|
Измерительная лопасть
|
Стандартная |
|
Скорость вращения лопасти, об/мин
|
1 |
|
Габариты лопасти, мм
|
35*90,5 |
|
Род тока
|
AC |
|
Напряжение питания, В
|
115…230 |
|
Тип выхода
|
Реле |
|
Присоединение
|
Резьба G 1 1/2“ и G 2 1/2“ |
|
Габариты
|
245х80х104 мм |
|
Степень защиты оболочки
|
IP65 |
|
Рабочая температура, °C
|
-20…+80 |
|
Температура окружающей среды, °C
|
-20...+60 |
|
Материал лопасти
|
Нержавеющая сталь |
Видео
Документация XSON-ILTC0 Датчик уровня ротационный
Наличие
Доставка и оплата
Доставим оборудование транспортной компанией или курьером. Возможен самовывоз. Отправляем товары ежедневно. Подробнее о вариантах доставки вы можете посмотреть на странице "Условия доставки".
Оплату от юридических лиц принимаем только по безналичному расчету. Частные лица могут оплачивать банковской картой онлайн на сайте. Подробное описание форм оплаты вы можете посмотреть на странице "Условия оплаты".
Если Вам нужна консультация менеджера, инженера или необходимы нестандартные условия покупки и доставки, обращайтесь по телефону: 8-804-555-12-93 или пишите на электронную почту: info134@rusautomation.ru.
Гарантии
«РусАвтоматизация» несет ответственность за любые дефекты производства, конструкции и исходных материалов оборудования в размере, не превышающем его стоимость.
При обнаружении дефектов или несоответствий заявленным характеристикам оборудования при его приемке, монтаже, наладке и эксплуатации в период гарантийного срока, покупатель составляет рекламационный акт. Документ нужно отправить по электронной почте: quality@rusautomation.ru. Подробнее в разделе "Гарантия"
