Инженерам АСУ ТП компании «РусАвтоматизация» предстояло разработать систему диспетчеризации электроснабжения и распределения для ООО «Бесланспирт». Объекты электросети находятся удаленно, поэтому необходимо было контролировать просадки напряжения. А на сбор, передачу показаний вручную уходила масса времени.
Разработка системы диспетчеризации для учета электроэнергии: как не растянуть проект на годы
Как решили разработать информационно-измерительную систему?
В ноябре 2023 г. к нам обратился энергетик «Бесланспирта» за разработкой системы диспетчеризации электроэнергии. В электросети этого предприятия ТП-1, ТП-2, БКТП расположены удаленно (на расстоянии 2-4 км) от места его работы. Каждый месяц, когда приходило время передавать показания поставщику электроэнергии, работник тратил время на разъезды для сбора информации, а также для последующей ее обработки. Каждый сбор информации происходил в разное время, поэтому невозможно было добиться баланса и достоверно контролировать удельные расходы.
Важно!
Чтобы промышленное предприятие было энергоэффективным, нужно внедрение автоматизированной системы технического учета энергоресурсов. И это является критически важным дополнением к коммерческому учету.
Такой подход позволяет организовать:
- детальный контроль потребления электрической энергии по отдельным структурным подразделениям;
- расчет удельных показателей электропотребления на производственный цикл и единицу продукции.
Подготовка достоверного сбалансированного отчета по расходу электроэнергии для каждого объекта требует реализации следующих мероприятий:
- обеспечение синхронности сбора данных со всех приборов учета. Показания, зафиксированные в разное время, приводят к возникновению небаланса, что делает невозможным корректный контроль удельных расходов;
- автоматизация расчета, формирования отчетности для энергоснабжающих организаций. Это позволяет минимизировать влияние человеческого фактора, исключить ошибки и сократить рутинные задачи;
- фиксация объемов потребления энергоносителей в привязке к конкретным производственным циклам или сменному заданию, — сведения, необходимые для операционного анализа.
С необходимостью технического учета электроэнергии разобрались. Но также важно контролировать режим работы электрооборудования. Если мы не знаем причины просадок напряжения:
- возможны сбои в работе электрооборудования. Как следствие — простой цехов, увеличение издержек производства. И не всегда можно быстро связать остановку оборудования и отсутствие напряжения. В итоге мы дольше разбираемся в причинах, устраняем неисправности;
- фактическая оплата происходит по нормативам поставщика электроэнергии, если не было определено время, а также место возникновения неполадки. Т.е. ваше предприятие несет дополнительные расходы.
Энергетику ООО «Беспанспирт» трудно было контролировать причины сбоев, т. к. объекты электросети расположены удаленно. Чтобы знать точные причины остановки электрооборудования, платить только за фактическое потребление электроэнергии, сократить рутинные задачи по сбору и расчетам показаний электросети, эта компания обратилась за разработкой системы диспетчеризации для учета электроэнергии в «РусАвтоматизацию».
Сайфутдинов Александр Евгеньевич,
технический директор ООО «РусАвтоматизация»
«Бесланспирт» мог обратиться за готовыми системами, представленными на российском рынке. Но выбрав нас как разработчиков, он запросил только те функции, которые ему были необходимы. То есть для него разработали индивидуальную систему диспетчеризации электроэнергии «РусЭДС».
В продаваемых пакетах включено множество функций, которые зачастую не нужны клиенту. Плюс по готовым решениям продавцы осуществляют минимальную поддержку. Т.е. всю настройку функционала осуществляет клиент своими силами.
Мы же разрабатываем, настраиваем систему комплексно для конкретного клиента, не добавляя ненужных функций. Работаем по принципу «необходимо и достаточно». В итоге заказчик не тратит лишнего, а получает не только стандартную гарантию на оборудование в 1 год, но и техническую поддержку по его настройке, функционированию. Со временем могут возникнуть новые задачи учета электроэнергии, мы можем доработать программное обеспечение под новые функции вне очереди.
Этапы разработки системы диспетчеризации электроэнергии от и до
Итак, отделу АСУ ТП «РусАвтоматизации» предстояло разработать программно-технический комплекс для ООО «Бесланспирт». Изначально требования заказчика были такими:
- сбор информации с ТП-1 и ТП-2, БКТП 10/6 и РУ-6;
- контролируемые параметры электросети:
- фазное напряжение;
- ток на каждой фазе;
- мощность;
- реактивная мощность; - лицензия на 1 рабочее место.
Рассказываем про этапы работы.
Этап 1 – подготовка (ноябрь-2023)
- Изучили исходные данные предприятия и задачу клиента.
- Отдел АСУ ТП подготовил технико-коммерческое предложение, включающее этапы, сроки выполнения, описание функционала, стоимость.
- Инженер «Русавтоматизации» провел для клиента консультацию по предложенному решению.
- Клиент утвердил бюджет на 2024-й год.
Этап 2 – разработка и установка демоверсии (январь-2024)
- Специалисты отдела АСУ ТП «РусАвтоматизации» разработали бесплатную демоверсию информационно-измерительной системы (ИИС) учета электроэнергии.
- Заказчик закупил, установил необходимое оборудование для тестирования.
- Удаленно установили клиенту систему диспетчеризации электроснабжения и распределения.
Этап 3 – тестирование (февраль-март-апрель-2024)
- Заказчик анализировал работу с новым ПО, решил расширить необходимые функции и добавить новые объекты.
- Инженеры «РусАвтоматизации» доработали проект.
Этап 4 – разработка системы диспетчеризации электроснабжения и распределения
- Клиент оплатил разработку.
- «РусАвтоматизация» реализовала функционал программы под новые задачи, установила новое ПО.
Цыганов Василий Сергеевич,
руководитель отдела АСУ ТП ООО «РусАвтоматизация»
Для работы системы диспетчеризации «Бесланспирт» приобрел модуль, обеспечивающий связь счетчиков электроэнергии с интернетом. Клиент предоставил IP-адреса, мы подключились и удаленно создали проект программно-технического комплекса.
Далее загрузили на один из рабочих компьютеров новое ПО. Так у клиента появилась возможность посмотреть и протестировать этот продукт. Демоверсия для него ничего не стоила, необходимо было только купить сопутствующее оборудование для обеспечения работы.
После того как заказчик изучил работу системы, оценил удобство использования, решил добавить дополнительные технические параметры, тогда уже представил проект вышестоящему руководству. Когда последние утвердили бюджет на 2-й квартал 2024-го года, мы заключили договор. Отдел АСУ ТП подобрал и поставил клиенту все оставшееся оборудование, необходимое для связывания счетчиков электроэнергии. Заказчик на своей стороне его подключил, передал нам IP-адреса. Мы дистанционно присоединили оборудование к SCADА-системе. Таким образом, все дополнительные запросы, которые возникли в процессе эксплуатации демоверсии, ему проработали.
Этап 5 – гарантийное обслуживание (по май-2025)
- «Бесланспирт» работает с информационно-измерительной системой учета электроснабжения.
- Если обнаруживается неполадка у клиента, и у него нет технического специалиста (например, не отображается одно из устройств в системе), отдел АСУ ТП «РусАвтоматизации» решает вопросы удаленно. Период сервисного обслуживания — 1 год со дня сдачи в эксплуатацию.
- При необходимости серьезных доработок системы диспетчеризации заключаем допсоглашение и дорабатываем проект вне очереди.
Делимся секретом: как успешно сделали то, что ранее не разрабатывали
На самом деле специализация ООО «РусАвтоматизация» в плане разработки систем диспетчеризации связана с уровнеметрией. Проекты по учету электроэнергии наши специалисты ранее не делали. Как мы осмелились взяться за новое?
В нашем опыте было множество нетипичных для нас проектов. Мы брались не только за свои, ранее разработанные и выпущенные системы, но и за нестандартные, под непосредственные задачи клиента. Так было с ООО «Бесланспирт».
Благодаря квалификации наших технических специалистов мы освоили новое направление диспетчеризации – учет электроэнергии и назвали его «РусЭДС».
Команда, работавшая над проектом:
- руководитель отдела АСУТП – стаж работы 8 лет;
- инженер-программист – стаж более 5 лет;
- инженер-проектировщик – стаж более 5 лет.
Также в составе отдела работают:
- инженер-проектов – стаж более 10 лет;
- инженер КИПиА – стаж более 10 лет;
- сборщик шкафов управления – стаж более 20 лет.
Сайфутдинов Александр Евгеньевич,
технический директор ООО «РусАвтоматизация»
В чем заключается экспертность специалистов по разработке систем диспетчеризации электроснабжения и распределения? Интерфейс ИИС разработать несложно, потому что в программе заложена библиотека файлов, – вида того или иного оборудования, его функционала. Экспертность инженеров заключается в подборе устройств, которые будут реализовывать все задачи заказчика.
Перечень оборудования достаточно широкий. Из него необходимо выбрать такое, что будет:
- проводить измерения с нужной точностью;
- соответствовать всем сертификационным требованиям.
Также нужно подобрать коммутационные устройства и модули для обеспечения передачи данных в систему. Здесь экспертность заключается в возможности дистанционно произвести сопряжение или настройку работы системы в комплексе. Опыт и глубокие знания понадобятся и правильном составлении регистрирующих журналов, ведении базы.
Задача клиента, как в случае «Бесланспирта», может несколько раз за проект меняться, поэтому необходимо уметь встраивать и настраивать новые элементы системы. Дополнительно клиент запросил:
- сделать лицензию на два рабочих места (изначально хотел только одну);
- добавить еще одну БКТП в информационно-измерительную систему учета электроснабжения и распределения после тестирования демоверсии (ранее разрабатывали только для двух ТП);
- реализовать четыре вкладки для БКТП, РУ-6, ТП-1, ТП-2, в которые можно было перейти из общего вида ИИС;
- добавить к имеющимся параметрам еще два: земля в сети и аварийное отключение.
К счастью, в «РусАвтоматизации» оказались эксперты, которым перечисленные задачи по плечу. И даже трудности перевода (объяснения технических терминов) нас не сразили.
Что получил клиент в итоге?
Готовая система диспетчеризации электроснабжения и распределения, распределения клиента решает следующие задачи:
- учет активной или активной электроэнергии и мощности;
- сбор информации о состоянии средств измерения;
- хранение данных о снимаемых показаниях в специальной базе данных;
- онлайн-мониторинг потребления электроэнергии;
- передача уже данных без участия оператора;
- формирование отчетов по запросу пользователя.

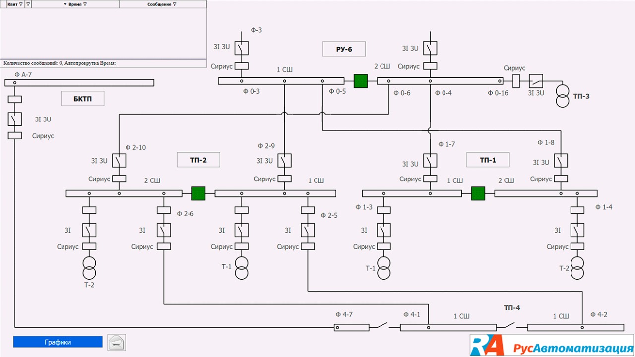
Рис. 1–5. Интерфейс готовой информационно-измерительной системы учета электроснабжения и распределения ООО «Бесланспирт»: главное окно и вкладки
Цыганов Василий Сергеевич,
руководитель отдела АСУ ТП ООО «РусАвтоматизация»
Напомню, заказчика не устраивало время, затрачиваемое на сбор информации с удаленных объектов электросети и передачу показаний, невозможность фиксировать просадки напряжения. К начальным требованиям компании «Бесланспирт» добавил еще несколько вовремя тестирования демоверсии.
Все пожелания мы реализовали, несмотря на отсутствие опыта в разработке такой системы именно диспетчеризации для учета электроэнергии. Теперь клиент может контролировать все параметры, от напряжения, токов до полной и реактивной мощности. Все значения, показания архивируются, а при возникновения аварийных значений происходит сигнализация.
Возможно выгружать эти расчеты в Excel, Word файлы. Доступно предоставление полученных данных в 1С, чтобы бухгалтеры, экономисты учитывали эту информацию в своей работе. По данным системы электроснабжения и распределения работники могут сформировать документ для сдачи энергокомпанию. Все это сокращает время на рутинные задачи, обеспечивая доступ к данным без непосредственного передвижения к ТП, БКТП.
Также такой программно-технический комплекс позволяет вести учёт потребления электроэнергии в течение 6 месяцев, хранить и архивировать данные.
Теперь в любой момент времени энергетик может отследить дату просадки, фактическое потребление и ряд других параметров электросети. Также он понимает, где, что, когда у него что-то случилось (перебился кабель или жильные стальные пластины, произошел разрыв по сварке и т.п.). Если система обнаруживает обрыв по заземлению, энергетик сразу об этом узнает. Высвечивается красное аварийное сообщение. Это, несомненно, повышает скорость работы и безопасность эксплуатации оборудования.

Рис. 6. Графики токов (трендов) в системе диспетчеризации электроснабжения и распределения ООО «Бесланспирт»
Читайте также статью «Диспетчеризация электроснабжения: как АСУ ТП экономит время и деньги».
|
Менеджеры компании с радостью ответят на ваши вопросы, произведут расчет стоимости услуг и подготовят коммерческое предложение.
|
Заказать проект
|
