SE120BGMB0450 Датчик уровня ротационный
|
Удлинение, мм
|
450 |
|
Установка
|
Горизонтально/вертикально |
|
Род тока
|
AC |
|
Напряжение питания, В
|
220 |
|
Присоединение
|
Фланец 2 1/2“ |
|
Максимальное рабочее давление, бар
|
5 |
|
Степень защиты оболочки
|
IP67 |
|
Рабочая температура, °C
|
-20…+85 |
Подберем и поможем внедрить оборудование и программное обеспечение для систем автоматизации в любой отрасли промышленности.
Отправьте письмо на нашу электронную почту со своей задачей, чертежами и техническим заданием, а наши квалифицированные специалисты помогут подобрать все необходимое оборудование под ваш проект.
Доставка:
-
Самовывоз
-
Транспортная компания
-
Курьерская служба
-
Срок отгрузки: 90 дн.
Оплата:
-
Банковской картой на сайте
-
Безналичный расчет
Подберем и поможем внедрить оборудование и программное обеспечение для систем автоматизации в любой отрасли промышленности.
Отправьте письмо на нашу электронную почту со своей задачей, чертежами и техническим заданием, а наши квалифицированные специалисты помогут подобрать все необходимое оборудование под ваш проект.
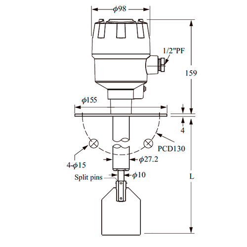
Ротационный датчик для контроля и сигнализации предельного уровня сыпучих материалов в алюм. корпусе, 2 1/2” 5K, L=450 мм, лопасть 65*80мм, 1 об/мин, 220В AC, IP67
Ротационный датчик уровня SE Series SE120BGMB0450 для контроля и сигнализации предельного уровня сыпучих материалов. Общепромышленное исполнение.
Технические характеристики SE120BGMB0450 Датчик уровня ротационный
|
Тип оборудования
|
Сигнализатор уровня |
|
Контролируемая среда
|
Сыпучие материалы |
|
Принцип действия
|
Ротационный |
|
Метод взаимодействия со средой
|
Контактный |
|
Удлинение, мм
|
450 |
|
Установка
|
Горизонтально/вертикально |
|
Минимальная насыпная плотность материала, г/л
|
500 |
|
Измерительная лопасть
|
Прямоугольная |
|
Скорость вращения лопасти, об/мин
|
1 |
|
Габариты лопасти, мм
|
65*80 |
|
Род тока
|
AC |
|
Напряжение питания, В
|
220 |
|
Тип выхода
|
Реле SPDT |
|
Присоединение
|
Фланец 2 1/2“ |
|
Максимальное рабочее давление, бар
|
5 |
|
Степень защиты оболочки
|
IP67 |
|
Рабочая температура, °C
|
-20…+85 |
|
Температура окружающей среды, °C
|
-20...+85 |
|
Материал лопасти
|
Нержавеющая сталь SUS |
Документация SE120BGMB0450 Датчик уровня ротационный
Наличие
Доставка и оплата
Доставим оборудование транспортной компанией или курьером. Возможен самовывоз. Отправляем товары ежедневно. Подробнее о вариантах доставки вы можете посмотреть на странице "Условия доставки".
Оплату от юридических лиц принимаем только по безналичному расчету. Частные лица могут оплачивать банковской картой онлайн на сайте. Подробное описание форм оплаты вы можете посмотреть на странице "Условия оплаты".
Если Вам нужна консультация менеджера, инженера или необходимы нестандартные условия покупки и доставки, обращайтесь по телефону: 8-804-555-12-93 или пишите на электронную почту: info134@rusautomation.ru.
Гарантии
«РусАвтоматизация» несет ответственность за любые дефекты производства, конструкции и исходных материалов оборудования в размере, не превышающем его стоимость.
При обнаружении дефектов или несоответствий заявленным характеристикам оборудования при его приемке, монтаже, наладке и эксплуатации в период гарантийного срока, покупатель составляет рекламационный акт. Документ нужно отправить по электронной почте: quality@rusautomation.ru. Подробнее в разделе "Гарантия"
