FD300-55G-4 Преобразователь частоты
|
Номинальный ток
|
115 A |
|
Мощность, кВт
|
55,0 |
|
Род тока
|
AC |
|
Входное напряжение
|
3 фазы 380В |
|
Выходное напряжение
|
3 фазы 380В |
|
Перегрузочная способность, А
|
172,5 |
|
Степень защиты оболочки
|
IP20 |
Подберем и поможем внедрить оборудование и программное обеспечение для систем автоматизации в любой отрасли промышленности.
Отправьте письмо на нашу электронную почту со своей задачей, чертежами и техническим заданием, а наши квалифицированные специалисты помогут подобрать все необходимое оборудование под ваш проект.
Доставка:
-
Самовывоз
-
Транспортная компания
-
Курьерская служба
-
Срок отгрузки: 120 дн.
Оплата:
-
Банковской картой на сайте
-
Безналичный расчет
Подберем и поможем внедрить оборудование и программное обеспечение для систем автоматизации в любой отрасли промышленности.
Отправьте письмо на нашу электронную почту со своей задачей, чертежами и техническим заданием, а наши квалифицированные специалисты помогут подобрать все необходимое оборудование под ваш проект.
Частотный преобразователь, мощность 55 кВт, 115 А, 3 фазы 380В, 50/60 Гц, IP20, -10…+40°C
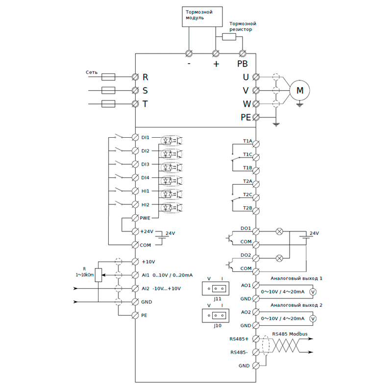
Преобразователи частоты серии FD300 – новое и высокотехнологичное решение для управления синхронными и асинхронными электродвигателями. Три платы расширения, большое количество настроек и функциональных возможностей делает преобразователь частоты FD300 устройством с широкими возможностями тонких настроек, благодаря чему управление технологическими процессами на производстве становится высокоэффективным и экономичным. Для легкости управления создана специальная программа с удобным интерфейсом. Быстрый запуск в работу преобразователей с одинаковыми настройками путем дублирования файла настроек.
Технические характеристики FD300-55G-4 Преобразователь частоты
|
Тип оборудования
|
Частотный преобразователь |
|
Номинальный ток
|
115 A |
|
Мощность, кВт
|
55,0 |
|
Мощность подключаемых двигателей, кВт
|
55,0 |
|
Интерфейс
|
Modbus RTU (опционально Profibus, Profinet, CANopen, Modbus TCP, EtherCAT) |
|
Вид нагрузки
|
Общепромышленная |
|
ПИД-регулятор
|
Да |
|
Режим управления
|
Скалярный, векторный с обратной связью |
|
Род тока
|
AC |
|
Входное напряжение
|
3 фазы 380В |
|
Выходное напряжение
|
3 фазы 380В |
|
Количество фаз напряжения питания
|
3 |
|
Выходная частота
|
0...600 Гц |
|
Выносной пульт управления
|
Да |
|
Перегрузочная способность, А
|
172,5 |
|
Габариты
|
555х285х252 мм |
|
Степень защиты оболочки
|
IP20 |
|
Температура окружающей среды, °C
|
-10...+40 |
Документация FD300-55G-4 Преобразователь частоты
Наличие
Доставка и оплата
Доставим оборудование транспортной компанией или курьером. Возможен самовывоз. Отправляем товары ежедневно. Подробнее о вариантах доставки вы можете посмотреть на странице "Условия доставки".
Оплату от юридических лиц принимаем только по безналичному расчету. Частные лица могут оплачивать банковской картой онлайн на сайте. Подробное описание форм оплаты вы можете посмотреть на странице "Условия оплаты".
Если Вам нужна консультация менеджера, инженера или необходимы нестандартные условия покупки и доставки, обращайтесь по телефону: 8-804-555-12-93 или пишите на электронную почту: info134@rusautomation.ru.
Гарантии
«РусАвтоматизация» несет ответственность за любые дефекты производства, конструкции и исходных материалов оборудования в размере, не превышающем его стоимость.
При обнаружении дефектов или несоответствий заявленным характеристикам оборудования при его приемке, монтаже, наладке и эксплуатации в период гарантийного срока, покупатель составляет рекламационный акт. Документ нужно отправить по электронной почте: quality@rusautomation.ru. Подробнее в разделе "Гарантия"
