ESQ-A200-2S0015 Преобразователь частоты
|
Номинальный ток
|
7,5 А |
|
Мощность, кВт
|
0,15 |
|
Род тока
|
AC |
|
Напряжение питания, В
|
220 |
|
Входное напряжение
|
1 фаза 220В |
|
Выходное напряжение
|
3 фазы 220В |
|
Степень защиты оболочки
|
IP20 |
|
Рабочая температура, °C
|
-10...+40 |
Подберем и поможем внедрить оборудование и программное обеспечение для систем автоматизации в любой отрасли промышленности.
Отправьте письмо на нашу электронную почту со своей задачей, чертежами и техническим заданием, а наши квалифицированные специалисты помогут подобрать все необходимое оборудование под ваш проект.
Доставка:
-
Самовывоз
-
Транспортная компания
-
Курьерская служба
-
Срок отгрузки: 180 дн.
Оплата:
-
Банковской картой на сайте
-
Безналичный расчет
Подберем и поможем внедрить оборудование и программное обеспечение для систем автоматизации в любой отрасли промышленности.
Отправьте письмо на нашу электронную почту со своей задачей, чертежами и техническим заданием, а наши квалифицированные специалисты помогут подобрать все необходимое оборудование под ваш проект.
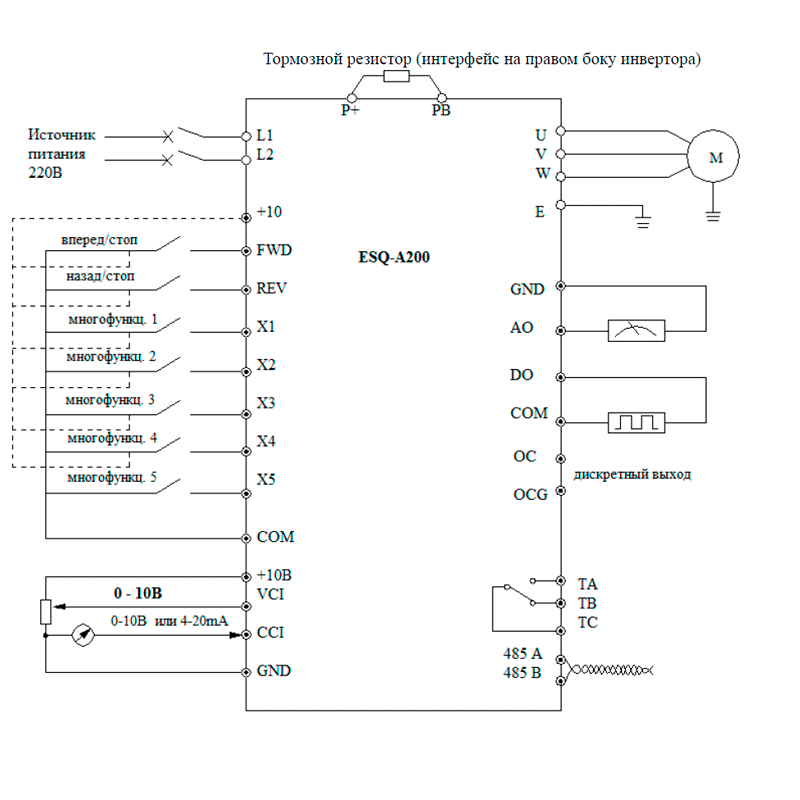
Частотный преобразователь, мощность 0,15 кВт, 7,5 А, вход: 1 фаза 220В, выходная частота 0...400 Гц, -10...+40°C, IP20
Частотный преобразователь ESQ-A200 мощностью 0,15 кВт предназначен для регулировки скорости вращения однофазных асинхронных двигателей небольшой мощности с конденсаторным пуском. Используется в бытовом и общепромышленном оборудовании, таком как кондиционеры, холодильные установки, бытовые вентиляционные системы, воздушные обогревательные системы, насосы подачи воды, переносные электроинструменты и прочие приборы, оснащённые однофазными асинхронными электромоторами.
Технические характеристики ESQ-A200-2S0015 Преобразователь частоты
|
Тип оборудования
|
Частотный преобразователь |
|
Номинальный ток
|
7,5 А |
|
Мощность, кВт
|
0,15 |
|
Мощность подключаемых двигателей, кВт
|
0,15 |
|
Интерфейс
|
RS-485 опционально |
|
Вид нагрузки
|
Общепромышленная |
|
ПИД-регулятор
|
Да |
|
Режим управления
|
Скалярный |
|
Род тока
|
AC |
|
Напряжение питания, В
|
220 |
|
Входное напряжение
|
1 фаза 220В |
|
Выходное напряжение
|
3 фазы 220В |
|
Количество фаз напряжения питания
|
1 |
|
Тип выхода
|
3-х фазный, 220В |
|
Выходная частота
|
0...400 Гц |
|
Выносной пульт управления
|
Да |
|
Габариты
|
85х141,5х112,5 мм |
|
Степень защиты оболочки
|
IP20 |
|
Рабочая температура, °C
|
-10...+40 |
|
Температура окружающей среды, °C
|
-10...+40 |
Документация ESQ-A200-2S0015 Преобразователь частоты
Наличие
Доставка и оплата
Доставим оборудование транспортной компанией или курьером. Возможен самовывоз. Отправляем товары ежедневно. Подробнее о вариантах доставки вы можете посмотреть на странице "Условия доставки".
Оплату от юридических лиц принимаем только по безналичному расчету. Частные лица могут оплачивать банковской картой онлайн на сайте. Подробное описание форм оплаты вы можете посмотреть на странице "Условия оплаты".
Если Вам нужна консультация менеджера, инженера или необходимы нестандартные условия покупки и доставки, обращайтесь по телефону: 8-804-555-12-93 или пишите на электронную почту: info134@rusautomation.ru.
Гарантии
«РусАвтоматизация» несет ответственность за любые дефекты производства, конструкции и исходных материалов оборудования в размере, не превышающем его стоимость.
При обнаружении дефектов или несоответствий заявленным характеристикам оборудования при его приемке, монтаже, наладке и эксплуатации в период гарантийного срока, покупатель составляет рекламационный акт. Документ нужно отправить по электронной почте: quality@rusautomation.ru. Подробнее в разделе "Гарантия"



